The Forged 90 Degree Thread Elbow mentakrifkan semula kecekapan dalam sistem saluran paip, menawarkan penyelesaian yang mantap untuk perubahan arah 90° yang tepat sambil memastikan pemasangan dan penyelenggaraan yang mudah melalui reka bentuk sambungan berulirnya. Dihasilkan daripada keluli karbon tempa atau keluli tahan karat gred tinggi, siku ini menggabungkan kekuatan luar biasa dengan rintangan kakisan, menjadikannya ideal untuk sistem bendalir tekanan rendah di mana kebolehpercayaan dan kebolehsuaian adalah yang terpenting. Hujung berulir membolehkan pemasangan dan pembongkaran pantas tanpa alat khusus, memudahkan rutin penyelenggaraan dalam aplikasi seperti rangkaian pengagihan air, sistem HVAC dan persediaan pengairan industri. Reka bentuk kompaknya menavigasi ruang yang sempit dengan mudah, mengoptimumkan kecekapan aliran sambil meminimumkan pergolakan dan penurunan tekanan—kelebihan kritikal dalam persekitaran terkurung seperti kejuruteraan marin, pemprosesan makanan dan kemudahan farmaseutikal.
| Saiz | DN15(1/2")~DN600(24”) |
| Tahap Tekanan | Kelas 2000~6000 |
| Jenis Benang | NPT, BSPP, BSPT |
| Sijil | PED, AD2000, EAC, ABS, BV, DNV, NORSOK M650, ISO9001, ISO14001, ISO45001, dsb. |
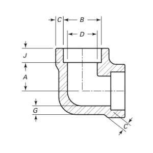
| Pengenalan fungsi | Digunakan untuk pusingan 90° arah saluran paip dengan sambungan berulir, mudah dibuka dan diselenggara, sesuai untuk sistem bendalir tekanan rendah. |
| Medan permohonan | Direka untuk sistem saluran paip tekanan tinggi, sesuai untuk sambungan dan stereng bahagian utama seperti penapisan petroleum, peralatan tenaga nuklear, peralatan kimia, bekas tekanan dandang, dsb. |
| Pembungkusan | Pakej layak laut, Kes Papan Lapis atau palet atau mengikut keperluan pelanggan |
| Produk Pilihan | 1、 pesanan minimum kumpulan kecil; |
Dicipta untuk menahan suhu turun naik dan tekanan mekanikal, siku ini memastikan prestasi kalis bocor dalam sistem hidraulik, kawalan pneumatik dan talian wap tekanan rendah, mengurangkan masa henti dan kos operasi jangka panjang. Dengan memperkemas penghalaan kompleks dan menghapuskan titik kegagalan yang berpotensi, ia memperkasakan industri untuk mengekalkan pengurusan bendalir yang lancar walaupun dalam susun atur terhad ruang. Bagi jurutera yang mengutamakan ketahanan, fleksibiliti dan keberkesanan kos, Forged 90 Degree Thread Elbow berdiri sebagai sekutu yang dipercayai. Tingkatkan infrastruktur anda hari ini dengan siku tempa ketepatan kami—di mana prestasi lasak memenuhi reka bentuk pintar, memastikan sistem anda beroperasi dengan sempurna di bawah tuntutan industri moden. Pilih kebolehpercayaan, pilih kecekapan dan ubah rangkaian saluran paip anda dengan penyelesaian yang dibina untuk bertahan.
Daripada bahan mentah hingga penghantaran akhir, kami mengekalkan kawalan ketat pada setiap peringkat untuk memastikan ketahanan, prestasi dan konsistensi.
01
02
03
04
05
06
07
08
09
10
11
12
