Flange Weld Neck berdiri sebagai penyelesaian muktamad untuk persekitaran bertekanan tinggi, suhu tinggi, direka bentuk untuk memberikan kebolehpercayaan yang tiada tandingan melalui sambungan kimpalan punggung yang teguh dan permukaan pengedap yang dihasilkan dengan ketepatan. Direka bentuk untuk aplikasi kritikal, bebibir ini berintegrasi dengan lancar dengan saluran paip melalui kimpalan punggung penembusan penuh, mewujudkan struktur monolitik yang menahan tekanan melampau, turun naik haba dan tekanan mekanikal—menjadikannya amat diperlukan dalam penapisan minyak, loji petrokimia dan sistem tenaga nuklear. Reka bentuk leher tirusnya bukan sahaja mengukuhkan integriti struktur tetapi juga meminimumkan kepekatan tekanan, memastikan prestasi jangka panjang dalam keadaan yang mencabar. Proses pengeluaran—menjangkau penempaan lanjutan, rawatan haba yang melegakan tekanan, kemasan ketepatan, ujian tidak merosakkan (NDT) yang ketat dan rawatan permukaan anti-karat—menjamin komponen yang melebihi piawaian industri untuk keselamatan dan ketahanan.
| Diameter | DN15(1/2")-DN3500(138") |
| Tekanan | 0.25-25MPa |
| Sijil | PED, AD2000, EAC, ABS, BV, DNV, NORSOK M650, ISO9001, ISO14001, ISO45001, dsb. |
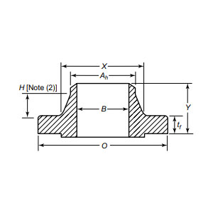
| Pengenalan fungsi | Sambungan kimpalan punggung menyediakan pengedap berkekuatan tinggi untuk aplikasi tekanan tinggi (HP) dan suhu tinggi (HT), memastikan prestasi kalis bocor dalam keadaan yang melampau |
| Medan permohonan | Berkenaan dengan sambungan bebibir paip dalam saluran paip minyak dan gas jarak jauh, platform luar pesisir, peralatan kimia, sistem rawatan air, dan industri makanan dan farmaseutikal, disesuaikan dengan keadaan kerja yang kompleks. |
| Pembungkusan | Pakej layak laut, Kes Papan Lapis atau palet atau mengikut keperluan pelanggan |
| Produk Pilihan | 1、Pesanan minimum kumpulan kecil; |
Daripada saluran paip dasar laut yang menahan air laut yang menghakis kepada turbin wap yang beroperasi pada suhu terik, Flange Weld Neck memastikan pengedap kalis bocor dan kesinambungan operasi. Industri yang memerlukan kualiti tanpa kompromi, seperti sistem bendalir aeroangkasa atau storan kriogenik, bergantung pada keupayaannya untuk mengekalkan integriti di bawah pemuatan kitaran dan pendedahan media yang keras. Dengan menggabungkan daya tahan bahan unggul dengan kejuruteraan ketepatan, bebibir ini mengurangkan kos kitaran hayat melalui masa henti dan penyelenggaraan yang diminimumkan. Bagi jurutera yang ditugaskan untuk melindungi infrastruktur berkepentingan tinggi, Weld Neck Flange ialah pilihan muktamad. Tingkatkan prestasi sistem anda hari ini dengan Bebibir Leher Weld premium kami—di mana pembuatan termaju memenuhi daya tahan gred industri, memperkasakan operasi anda untuk mengatasi tekanan, suhu dan masa yang melampau. Pilih kecemerlangan, pilih ketahanan, dan bina asas kalis masa depan untuk sistem kritikal anda.
Daripada bahan mentah hingga penghantaran akhir, kami mengekalkan kawalan ketat pada setiap peringkat untuk memastikan ketahanan, prestasi dan konsistensi.
01
02
03
04
05
06
07
08
09
10
11
12
