Bebibir Lap Joint mentakrifkan semula fleksibiliti dalam sistem perpaipan, menawarkan penyelesaian dinamik untuk menguruskan tekanan pengecutan dan pengembangan haba sambil membolehkan pembongkaran lancar dalam aplikasi tekanan rendah. Menggabungkan gelang bebibir yang teguh dengan komponen bebibir berputar, reka bentuk inovatif ini membolehkan pergerakan paksi terkawal saluran paip, menyerap anjakan akibat suhu dengan berkesan tanpa menjejaskan integriti struktur. Tersedia dalam dua konfigurasi—Jenis Cincin Kimpalan Butt (PJ/SE) untuk sambungan kimpalan berketepatan tinggi dan Jenis Cincin Kimpalan Rata (PJ/RJ) untuk pemasangan yang dipermudahkan—ia memenuhi keperluan operasi yang pelbagai sambil mengekalkan prestasi kalis bocor. Kejuruteraan daripada keluli karbon premium atau keluli tahan karat, bebibir menahan kakisan dan haus mekanikal, memastikan kebolehpercayaan dalam industri seperti pemprosesan kimia, rawatan air dan pengeluaran makanan, di mana penyelenggaraan yang kerap atau peningkatan peralatan adalah rutin.
| Diameter | DN50(2")-DN2000(80”) |
| Tekanan | 0.6-2.5MPa |
| Sijil | PED, AD2000, EAC, ABS, BV, DNV, NORSOK M650, ISO9001, ISO14001, ISO45001, dsb. |
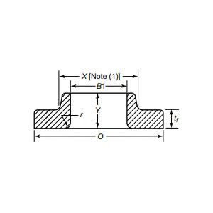
| Pengenalan fungsi | Digabungkan dengan gelang bebibir dan bebibir, membolehkan anjakan paksi saluran paip dan mengurangkan tekanan pengembangan haba. Jenis: cincin kimpalan punggung (PJ/SE) dan cincin kimpalan rata (PJ/RJ). Sesuai untuk saluran paip tekanan rendah yang memerlukan pembongkaran yang kerap. |
| Medan permohonan | Berkenaan dengan sambungan bebibir paip dalam saluran paip minyak dan gas jarak jauh, platform luar pesisir, peralatan kimia, sistem rawatan air, dan industri makanan dan farmaseutikal, disesuaikan dengan keadaan kerja yang kompleks. |
| Pembungkusan | Pakej layak laut, Kes Papan lapis atau palet atau mengikut keperluan pelanggan |
| Produk Pilihan | 1、 pesanan minimum kumpulan kecil; |
Mekanisme berputarnya memudahkan penjajaran semasa pemasangan, mengurangkan kos buruh dan masa henti dalam sistem seperti jentera hidraulik, rangkaian HVAC atau persediaan industri modular. Dengan mengasingkan pergerakan bebibir daripada tekanan saluran paip, ia memanjangkan jangka hayat gasket dan bolt, mengurangkan perbelanjaan penggantian jangka panjang. Daripada platform luar pesisir yang memerlukan pampasan terma kepada loji farmaseutikal yang memerlukan sambungan steril dan mudah dibersihkan, Lap Joint Flange memastikan pematuhan dengan piawaian ASME dan EN sambil menyesuaikan diri dengan permintaan operasi yang berkembang. Disokong oleh ujian yang ketat dan keserasian serba boleh, ia memberi kuasa kepada jurutera untuk mereka bentuk infrastruktur yang berdaya tahan dan sedia masa hadapan. Tingkatkan sistem paip anda hari ini dengan Bebibir Lap Joint kami—di mana kejuruteraan ketepatan memenuhi kekuatan penyesuaian, membolehkan operasi anda berkembang maju dalam persekitaran yang dinamik. Pilih fleksibiliti, pilih ketahanan dan buka kunci era kecekapan baharu.
Daripada bahan mentah hingga penghantaran akhir, kami mengekalkan kawalan ketat pada setiap peringkat untuk memastikan ketahanan, prestasi dan konsistensi.
01
02
03
04
05
06
07
08
09
10
11
12
